News:

Need a manual?  Buy a Haynes manual Here

Main Menu

Need help please

Started by Slick1515909, December 26, 2020, 11:24:32 AM

Previous topic - Next topic

Slick1515909

Okay so I bought an 04 Suzuki gs 500f and this is first bike and it use to start but I had to combine the the stater relay and I seen in the wire harness they were bypassing alot of stuff.

The Buddha

OMG. I've been out of this place for months, so I'm not understanding what your situation is - can someone explain to me.
Cool.
Buddha.
-----------------------------------------------------------------
I run a business based on other people's junk.
-----------------------------------------------------------------

Bluesmudge

Is there a question here? We would need more information to figure out what was bypassed and how to get it running. Some photos and/or more description of the problem.

Slick1515909

Okay so I bought a 04 GS500F it started when I bought it but how there were starting it is they were bypassing a lot of the stuff on the bike there was a switch I guess there was no engine shut off in the front that worked but my bike has tipped over and after that it stopped working so I am stuck on what to look at or how to go about it

Sporty

Quote from: Slick1515909 on December 29, 2020, 09:23:39 AM
Okay so I bought a 04 GS500F it started when I bought it but how there were starting it is they were bypassing a lot of the stuff on the bike there was a switch I guess there was no engine shut off in the front that worked but my bike has tipped over and after that it stopped working so I am stuck on what to look at or how to go about it

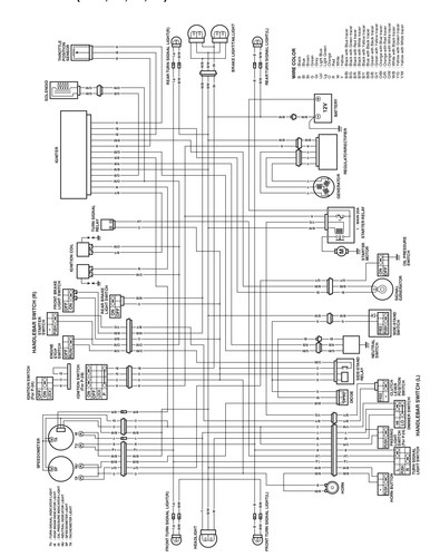
If it's "no crank". Look at the circuits highlighted in yellow.


Used Suzuki GS500 = motorcycle adventure without leaving the shop.

Current motorcycles: 1993 GS500E, 1996 XL1200, 1999 ST1100

Sporty

If it's "crank, but no start". You will have to check for power at the coil primary.
If no power, work through the circuit including side stand  switch and relay.
I can post the complete schematic later
Used Suzuki GS500 = motorcycle adventure without leaving the shop.

Current motorcycles: 1993 GS500E, 1996 XL1200, 1999 ST1100

Slick1515909

Yes it cranks when I have to combine them but it does not start there is a lot of wires on there that were cut I will post up pictures to show you what I'm talking about also there's things not plugged in I do not know where they go if you can please help

Sporty

Used Suzuki GS500 = motorcycle adventure without leaving the shop.

Current motorcycles: 1993 GS500E, 1996 XL1200, 1999 ST1100

sledge

If it has been on its side check the clutch switch..........its always favourite  :thumb:

Slick1515909


SMF spam blocked by CleanTalk